クリスマス特集2024 ソルティガ 4000 通販【フォレストウェイ】 ブルー 4000 スプール 23ソルティガ SLPW 替えスプール リール
(3460件)
Pontaパス特典
サンキュー配送
7500円(税込)
75ポイント(1%)
Pontaパス会員ならさらに+1%ポイント還元!
送料
(
)
3442
配送情報
お届け予定日:2026.04.15 5:17までにお届け
※一部地域・離島につきましては、表示のお届け予定日期間内にお届けできない場合があります。
ロットナンバー
9290442916
お買い物の前にチェック!
Pontaパス会員なら
ポイント+1%
ポイント+1%
商品説明
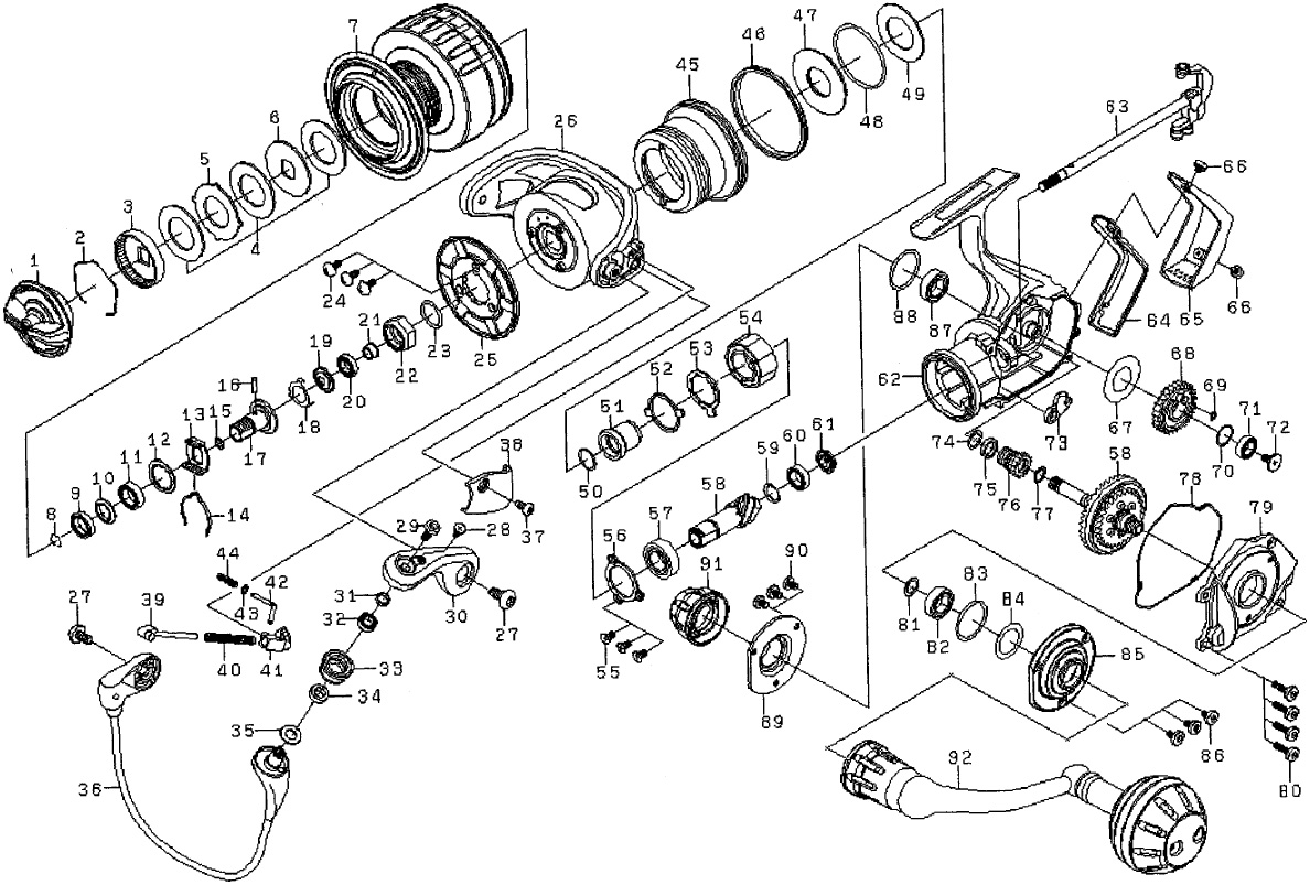
リールの糸外して売ることもできます。おまけでリールケース付けてます。| カテゴリー: | アウトドア・釣り・旅行用品>>>リールパーツ>>>スピニングリールパーツ |
|---|---|
| 商品の状態: | 未使用に近い","数回使用し、あまり使用感がない |
| 配送料の負担: | 送料込み(出品者負担) |
| 配送の方法: | 佐川急便/日本郵便 |
| 発送元の地域: | 大分県 |
| 発送までの日数: | 1~2日で発送 |
レビュー
商品の評価:




4.2点(3460件)
- KIG1125
- かわいいかな〜と思って買ってみました。
- ドンスカ1111
- 釣りが大好きな父の誕生日プレゼントに。
- サヲリヨ
- 空調服は作業衣なのでデザイン上ゴルフ場ではと思っていたところ、デザインがよく見えたので購入。着てみたら性能はよいのだが、ゴルフ場では襟元が不向きと判断、更にブルゾンを買いました。二輪用ではゴルフに不向き、願わくばレジャー用に良いデザインを開発して欲しい。
- tomi-9114
- 沖の防波堤での穴釣りが趣味ですが、時々テトラの隙間にドキッとすることがあり、購入を決意。渡船までは、電車なのでかっこよさと、安全が商品選びのポイントでしたが、リバレイの商品には機能を追求した美しさがあって、手に取った瞬間にそれを感じました。フィールドテストを繰り返して改良していく姿勢はまさに職人魂で、会社に歴史があるのは、やはり理由がありますね。すべてが期待通りで大満足です。あとは海に落ちないよう気をつけるのみです。
- torinosan
- 円周660mmとあるのは表示の間違いだと思いますので、その点はお気をつけ下さい。私の頭囲は61〜2センチとでかいので帽子を探すのが大変なのですが、この表示を見て即買いました。かぶり始めは、ちょっときつかったので、表示間違いだと思います。アジャスターを最大限にしてかぶっているうちにちょうどよくなりました。結構気に入ってます。お薦めです。
すべて見る
お店の情報
7,367
連絡・応対
4.3
配送スピード
4.3
梱包
4.3










